当前位置:型号查询 > FAG轴承 » ZKLF50140-2RS-XL
进口轴承专业经销商

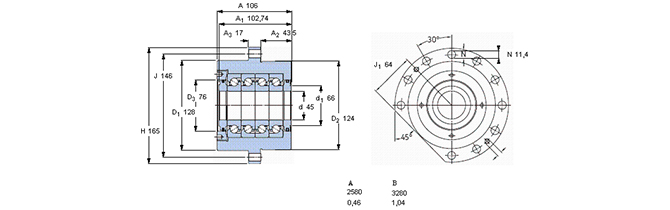
啤岭机电设备(上海)有限公司销售FAG ZKLF50140-2RS-XL轴承 ,能为客户提供样本图纸,自2001年起,FAG轴承在航空航天、汽车和工业领域起到了积极和重要的作用,产品涵盖了生产机械、动力传输与铁路、重工业以及消费品行业中所有的应用范畴。FAG轴承生产外径从3毫米到4.25米的各类球轴承和滚子轴承,包括依据样本的标准产品和依据用户特殊要求的非标产品。需要此轴承内外圈、内外径、厚度结构、重量、价格等资料请联系销售人员!
我公司主营瑞典SKF进口轴承、德国FAG、INA进口轴承,日本 NSK、IKO、KOYO、NTN、NACHI进口轴承和美国TIMKEN品牌轴承。公司凭借良好的信誉,完善的服务、充足的货源在国内同行业中有口皆碑!...